

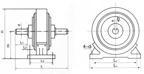
规格型号 | 额定转矩Nm | 额定电流A | 滑差功率Kw | 磁粉用量g | 冷却方式 | 外形尺寸 | 轴联接尺寸 | 机座安装尺寸 | ||||||||
H | L | d(h) | b | L1 | L2 | L3 | L4 | L5 | H1 | d1 | ||||||
CZS-0.2 | 2 | 0.5 | 0.05 | 10 | 自然 | 106 | 128 | 10 | 消扁 | 20 | 32 | 56 | 88 | 104 | 56 | 6.5 |
CZS-0.5 | 5 | 0.6 | 0.13 | 15 | 自然 | 135 | 144 | 12 | 4 | 20 | 22 | 60 | 110 | 125 | 72.5 | 6.5 |
CZS-1 | 10 | 0.8 | 0.26 | 30 | 自然 | 165 | 164 | 12 | 4 | 22 | 32 | 72 | 120 | 150 | 87.5 | 9 |
CZS-2 | 20 | 0.6 | 0.4 | 45 | 双侧散热筋 | 220 | 196 | 18 | 5 | 30 | 29 | 78 | 155 | 200 | 120 | 11 |
CZS-5 | 50 | 0.8 | 0.5 | 60 | 双侧散热筋 | 220 | 208 | 22 | 6 | 35 | 30 | 78 | 155 | 200 | 120 | 11 |
CZS-5S | 50 | 0.8 | 1.5 | 60 | 定子水冷 | 245 | 200 | 22 | 6 | 35 | 15 | 100 | 185 | 220 | 135 | 11 |
CZS-10 | 100 | 1.2 | 3 | 120 | 定子水冷双侧散热筋 | 300 | 294 | 28 | 8 | 55 | 42 | 100 | 185 | 240 | 165 | 13 |
CZS-20 | 200 | 2.5 | 5 | 180 | 定子水冷 | 335 | 322 | 35 | 10 | 60 | 38 | 125 | 268 | 320 | 180 | 13 |
CZS-40 | 400 | 2.2 | 7 | 380 | 定子水冷 | 400 | 342 | 45 | 14 | 70 | 26 | 150 | 300 | 360 | 210 | 13 |
CZS-63 | 630 | 2.5 | 9 | 500 | 定子水冷 | 440 | 428 | 60 | 18 | 100 | 50 | 130 | 340 | 400 | 240 | 17 |
CZS-100 | 1000 | 2.5 | 11 | 1000 | 定子水冷 | 520 | 518 | 60 | 18 | 100 | 49 | 220 | 430 | 500 | 280 | 17 |
CZS-200 | 2000 | 3 | 15 | 1800 | 定子水冷 | 610 | 560 | 75 | 20 | 110 | 45 | 250 | 520 | 600 | 325 | 22 |
CZS-500 | 5000 | 3 | 18 | 4200 | 定子水冷 | 818 | 700 | 90 | 25 | 140 | 50 | 320 | 600 | 700 | 430 | 22 |
CZS-1000 | 10000 | 4 | 25 | 6800 | 定子水冷 | 1125 | 770 | 120 | 32 | 160 | 45 | 360 | 900 | 1050 | 600 | 26 |
CZS-2000 | 20000 | 4 | 32 | 8000 | 定子水冷 | 1425 | 890 | 155 | 40 | 180 | 105 | 320 | 1300 | 1450 | 750 | 34 |

双出轴机座式米兰推荐单足球概述
双出轴机座式米兰推荐单足球是根据电磁原理和利用磁粉传递转矩的。其具有激磁电流和传递转矩基本成线性关系的特点。在同滑差无关的情况下能够传递一定的转矩,具有响应速度快、结构简单、无污染、无噪音、无冲击振动节约能源等特点。
米兰推荐单足球是一种多用途、性能可靠的自动控制元件。连轴节的连接配合上建议选用间隙配合。严禁轴向敲打。在使用前应进行跑合转,通过20%左右的额定电流运转几秒后断电再通电,反复几次。500N.m以上的制动器。部份磁粉另装。可在跑合中,将磁粉从上端磁粉加注口,在不通激磁电流的情况下边转动边逐渐注入。







.jpg)
苏公网安备 32062102000172号